2023-03-22 10:10:24
小型污水處理廠自控系統案例

項目簡介
該項目為縣城污水處理廠一期工程,本污水廠為新建工程,污水處理規模5000m3/d。
設計依據及規范
《城鎮排水系統電氣與自動化工程技術標準》CJJ120-2018
《分散型控制系統工程設計規范》 HG/T20573-2012
《控制室設計規范》HG/T20508-2014
《可編程控制器系統設計規范》HG/T20700- 2014

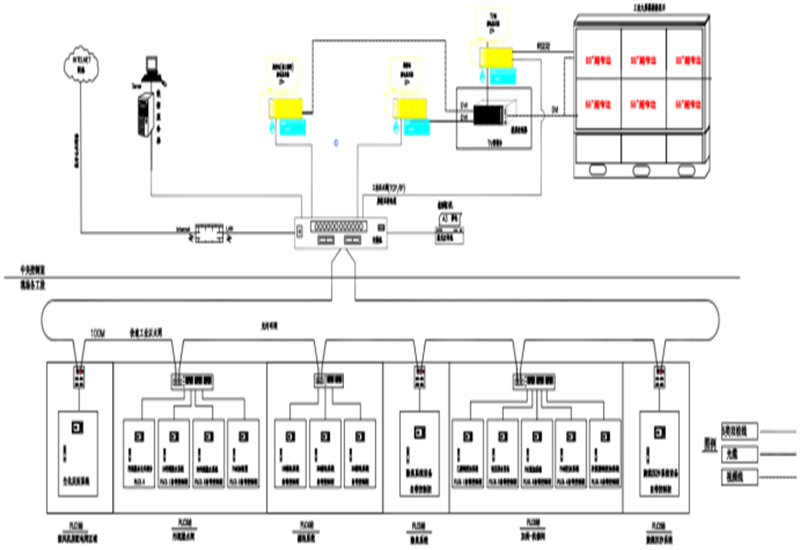
自控架構圖

生產工藝流程圖

信 息 層
信息層為污水處理廠各個使用者提供有效可靠的各類信息的接收、交換、傳輸、存儲、檢索和顯示的綜合處理,并提供決策支持能力與服務。監控服務器、數據服務器、工程師站計算機、軟件、工業網絡交換機報表及報警打印機等組成監控主站。

監控系統位于綜合樓的中央控制室完成全廠工藝設備的運行狀態、工藝過程參數的采集和監視,遠程控制相關設備、設定運行參數,配合工藝運行過程實現污水處理的目的。實現報表打印,事故報警等功能。操作員兩套監控計算機進行主設備轉換時系統無數據丟失。

控 制 層
污水廠的自控系統在綜合樓控制室內,各現場控制站設置獨立的控制柜,負責各車間及其相關單體的工藝關鍵參數的監測和電氣設備控制。通過光纖以太網實現現場控制站的數據通訊,組成全廠計算機監控系統,實現集中管理。

二沉池上位機界面圖

加藥間上位機界面圖

調節池上位機界面圖
該污水廠項目共設置六個PLC控制站
1.PLC1:鼓風機房配電間區域
2.PLC2:旋流沉砂系統
3.PLC3:污泥脫水裝置系統
4.PLC4:濾池系統
5.PLC5:除臭生物濾池
6.PLC6:加藥系統



PLC控制站
設 備 層
設備層控制模式:
自控設備有三種控制模式,分別為:1現場手動:通過現場控制箱的按鈕實現設備的啟動/停止操作。2遠程手動:在值班室監控站單個控制現場設備。3自動控制:由PLC現場控制站負責設備全部操作的控制,按照工藝過程的檢測參數和狀態,通過預先設定的程序,實現設備的自動啟/停操作,不需要人工的介入。三種控制模式的優先級,從高到低依次是現場手動、遠程手動、自動控制。所有設備均可操作手自動操作有切換按鈕,當在用設備出現故障時自動投入備用設備。所有找警聯鎖值均可調,聯鎖動作前應設報警。

水質儀表安裝現場

儀表箱安裝現場

儀表箱安裝現場

儀表箱安裝現場
自控系統培訓
2023年2月我公司技術工程師對該污水廠項目的工作人員進行了自控系統操作培訓。


17年水務過程自動化控制系統解決方案經驗。咨詢永浩自控:13096360690 028-61665201